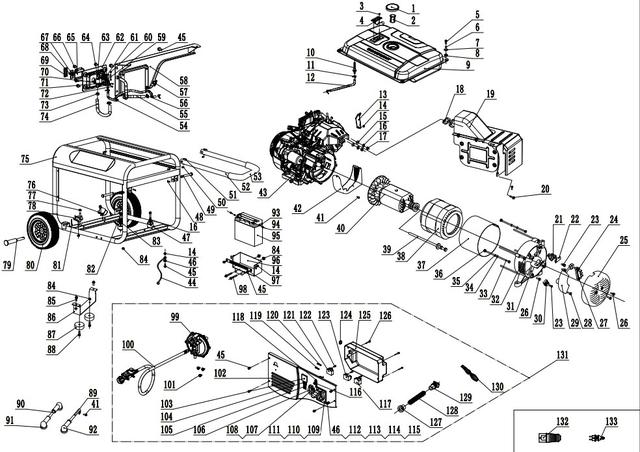
Газовый электрогенератор Ayerbe ENER-GEN 7500 DUAL является одним из последних решений, разработанных Ayerbe, брендом, специализирующимся на решениях для высококачественного производства электроэнергии. Эта модель электрогенератора имеет двигатель Kiotsu объемом 420 куб.см и мощностью 13,5 л.с. Используемый им генератор переменного тока является AVR. Эта модель дает нам максимальную мощность 6500 Вт и номинальную мощность 6000 Вт. Расход данного генератора при работе на 75% мощности составляет 1,8 л/ч. Емкость топливного бака составляет 25 литров. У него электрический запуск и его вес составляет 90 кг.
: 1,8 л/час.</li> <li>Бак: 25 л.</li> < li>Уровень звука: 97 дБ.</li> <li>Вес: 90 кг.</li> <li>Электрический запуск.</li> <li>Размеры: 830х730х660 мм.</li> <li>Система AVR.</li> <li>Индикатор уровня топлива.</li> <li>Сигнализация уровня масла.</li> </ul> <p><strong>Мощность:</strong> группы, переведенные на LPG, теряют 15% своей мощности с бензином. Расход: стоимость часа на 50% ниже бензиновых групп.</p> <p><strong>Техническое обслуживание:</strong> бензиновый генератор должен работать не менее 5% от общего количества часов работы на газе (каждые 10 часов работы на газе , 1 час работы на бензине).</p> <p> </p></div></div></div></div><div class=)